夾殼聯軸器
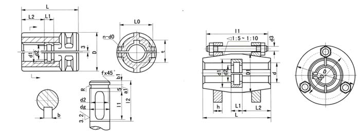
是利用兩個沿軸向剖分的夾殼,用螺栓夾緊以實現兩軸聯接,靠兩半聯軸器表面間的摩擦力傳遞轉矩,利用平鍵作輔助聯接。
夾殼聯軸器裝配和拆卸時軸不需軸向移動,所以裝拆很方便,缺點是兩軸軸線對中精度低,結構和形狀比較復雜,制造及平衡精度較低,只適用于低速和載荷平穩的場合,通常外緣的線速度不大于 5m/s ,當線速度超過 5m/s 時需要進行平衡校驗。
為了 平衡狀況,螺栓應正、倒相間安裝。夾殼聯軸器不具備軸向、徑向和角向的補償性能。
立式夾殼聯軸器的的特性與夾殼聯軸器近似,結構簡單,裝拆方便,適用于低速(圓周線速度為5M/S),無沖擊,振動載荷平穩的場合,宜用于攪拌器等立軸的聯接。
夾殼聯軸器的標準為 HG5213-65

夾殼聯軸器的基本參數為:
| 標定符號 | 孔徑 | Mmax | D | L | L1 (H8/j7) | L2 | L0 | n-d0 | d1 (H11/h11) | d2 (H11) | a1 (H11) | b1 | l1 | l2 | R | f | b | t | 重量(kg) |
| JQ-25 | 25 | 90 | 95 | 110 | 20 | 45 | 58 | 4-12 | 32 | 20 | 5 | 4 | 35 | 60 | 0.2 | 0.4 | 8 | 28.3 | 4.47 |
| JQ-30 | 30 | 90 | 102 | 130 | 20 | 55 | 64 | 4-14 | 38 | 25 | 5 | 4 | 45 | 70 | 0.2 | 0.4 | 8 | 33.3 | 4.47 |
| JQ-35 | 35 | 236 | 118 | 162 | 20 | 71 | 80 | 6-14 | 43 | 30 | 5 | 4 | 55 | 85 | 0.4 | 0.6 | 10 | 38.3 | 7.60 |
| JQ-40 | 40 | 236 | 118 | 162 | 20 | 71 | 80 | 6-14 | 48 | 35 | 5 | 6 | 55 | 85 | 0.4 | 0.6 | 12 | 43.3 | 7.60 |
| JQ-45 | 45 | 530 | 135 | 190 | 24 | 83 | 94 | 6-14 | 57 | 37 | 6 | 5 | 70 | 100 | 0.4 | 0.6 | 14 | 48.8 | 10.85 |
| JQ-50 | 50 | 530 | 135 | 190 | 24 | 83 | 94 | 6-14 | 62 | 42 | 6 | 5 | 70 | 100 | 0.4 | 0.6 | 14 | 53.8 | 10.85 |
| JQ-55 | 55 | 530 | 135 | 190 | 24 | 83 | 94 | 6-14 | 67 | 47 | 6 | 5 | 70 | 100 | 0.6 | 1 | 16 | 59.3 | 10.85 |
| JQ-60 | 60 | 1400 | 172 | 250 | 30 | 110 | 124 | 8-18 | 73 | 50 | 8 | 6 | 100 | 130 | 0.6 | 1 | 18 | 64.4 | 25.06 |
| JQ-65 | 65 | 1400 | 172 | 250 | 30 | 110 | 124 | 8-18 | 78 | 55 | 8 | 6 | 100 | 130 | 0.6 | 1 | 18 | 69.4 | 25.06 |
| JQ-70 | 70 | 1400 | 172 | 250 | 30 | 110 | 124 | 8-18 | 83 | 60 | 8 | 6 | 100 | 130 | 0.6 | 1 | 20 | 74.9 | 25.06 |
| JQ-80 | 80 | 2650 | 185 | 280 | 38 | 131 | 138 | 8-18 | 94 | 7 | 10 | 8 | 110 | 145 | 0.6 | 1 | 22 | 85.4 | 30.16 |
| JQ-85 | 85 | 2650 | 185 | 280 | 38 | 121 | 138 | 8-18 | 99 | 75 | 10 | 8 | 110 | 145 | 0.6 | 1 | 22 | 90.4 | 30.16 |
| JQ-90 | 90 | 5200 | 230 | 330 | 38 | 146 | 164 | 8-23 | 105 | 80 | 10 | 8 | 140 | 170 | 0.6 | 1 | 25 | 95.4 | 56.38 |
| JQ-95 | 95 | 5200 | 230 | 330 | 38 | 146 | 164 | 8-23 | 110 | 85 | 10 | 8 | 140 | 170 | 0.6 | 1 | 25 | 100.4 | 56.38 |
| JQ-100 | 100 | 5200 | 230 | 330 | 38 | 146 | 164 | 8-23 | 115 | 90 | 10 | 8 | 140 | 170 | 0.6 | 1 | 28 | 106.4 | 56.38 |
| JQ-105 | 105 | 5200 | 230 | 330 | 38 | 146 | 164 | 8-23 | 120 | 95 | 10 | 8 | 140 | 170 | 0.6 | 1 | 28 | 111.4 | 56.38 |
| JQ-110 | 110 | 9000 | 260 | 390 | 46 | 172 | 190 | 8-23 | 125 | 100 | 12 | 10 | 160 | 200 | 0.6 | 1 | 28 | 116.4 | 90 |
| JQ-115 | 115 | 9000 | 260 | 390 | 46 | 172 | 190 | 8-23 | 130 | 105 | 12 | 10 | 160 | 200 | 0.6 | 1 | 32 | 122.4 | 90 |
| JQ-120 | 120 | 9000 | 260 | 390 | 46 | 172 | 190 | 8-23 | 135 | 110 | 12 | 10 | 160 | 200 | 0.6 | 1 | 32 | 127.4 | 90 |
| JQ-125 | 125 | 15000 | 280 | 440 | 54 | 193 | 210 | 10-23 | 140 | 115 | 14 | 12 | 180 | 225 | 0.6 | 1 | 32 | 132.4 | 125 |
| JQ-130 | 130 | 15000 | 280 | 440 | 54 | 193 | 210 | 10-23 | 146 | 118 | 14 | 12 | 180 | 225 | 0.6 | 1 | 32 | 137.4 | 125 |
| JQ-140 | 140 | 15000 | 300 | 440 | 54 | 193 | 230 | 10-23 | 158 | 128 | 14 | 12 | 180 | 225 | 0.6 | 1 | 36 | 148.4 | 125 |
| JQ-150 | 150 | 28000 | 340 | 500 | 64 | 218 | 260 | 10-33 | 170 | 134 | 16 | 14 | 200 | 255 | 0.6 | 1 | 36 | 158.4 | 215 |
| JQ-160 | 160 | 28000 | 340 | 500 | 64 | 218 | 260 | 10-33 | 180 | 144 | 16 | 14 | 200 | 255 | 0.6 | 1 | 40 | 169.4 | 215 |
| JQ-180 | 180 | 31000 | 380 | 560 | 72 | 244 | 300 | 10-33 | 200 | 162 | 18 | 16 | 240 | 285 | 1 | 1.5 | 45 | 190.4 | 350 |
| JQ-200 | 200 | 33750 | 420 | 640 | 80 | 280 | 340 | 10-33 | 220 | 182 | 20 | 18 | 270 | 325 | 1 | 1.5 | 45 | 210.4 | 516 |
注:JQW型為夾殼式聯軸器是JQ型夾殼式聯軸器取消息懸吊環,避免軸向重復定位的結構,可在單支點機架中使用。









